
英集芯IP6529_Q1是一款适用于车载USB Type-C PD充电器方案的车规级DC-DC降压芯片,符合AEC-Q100 Grade 2标准配资平台投资,工作温度范围为-40℃至+105℃,可在极端温度环境下稳定工作。集成PD2.0/3.1、QC2.0/3.0/3+及Apple协议等所有主流快充协议。提供最大45W的输出功率。输入电压范围7.3V~29.5V,输出电压3.0V~21V。采用同步开关降压架构,内置功率MOS管,减少外部元件数量,简化电路设计,降低BOM成本。采用QFN24封装,体积小巧,便于集成到车载充电器中,节省PCB空间。

一、通过车规级认证,适应较宽温度范围
IP6529_Q1遵循AEC-Q100 Grade 2标准,工作温度范围为-40℃至+105℃,能够适应较低与较高气温环境。在北方冬季或南方夏季等不同气候条件下,芯片可保持稳定运行,有助于车载充电器在复杂环境下持续供电。这一特性使其适用于乘用车、商用车、房车等多种车载充电场景,为汽车电子设备的长期使用提供支持。

二、45W功率输出,适配多元设备充电
IP6529_Q1支持最大45W功率输出,输入电压范围7.3V至29.5V,输出电压范围3.0V至21V,可适配不同电源和设备需求。通过识别快充协议,芯片可自动调整输出电压与电流,实现动态功率分配。例如,为手机充电时可输出9V/3A,为笔记本充电时可切换至20V/2.25A模式。多档位调节能力使其能够为手机、平板、笔记本、Switch等常见电子设备充电,实现较广泛的设备兼容。

三、支持主流快充协议,提升兼容性
IP6529_Q1集成PD3.1/PD2.0、PPS、UFCS、QC3.0/QC3+、AFC、FCP、BC1.2、Apple等主流快充协议。对于苹果、三星、华为、小米等品牌手机,以及无人机、智能穿戴等设备,可通过Type-C线进行充电。其PPS协议支持3.3V至21V电压调节,精度为20mV/step,可为支持PPS协议的设备提供细致的电压控制,有助于提升充电效率。这一特性不仅改善了用户体验,也为车企拓展市场提供了技术支持。

四、集成度较高,有助于简化电路设计
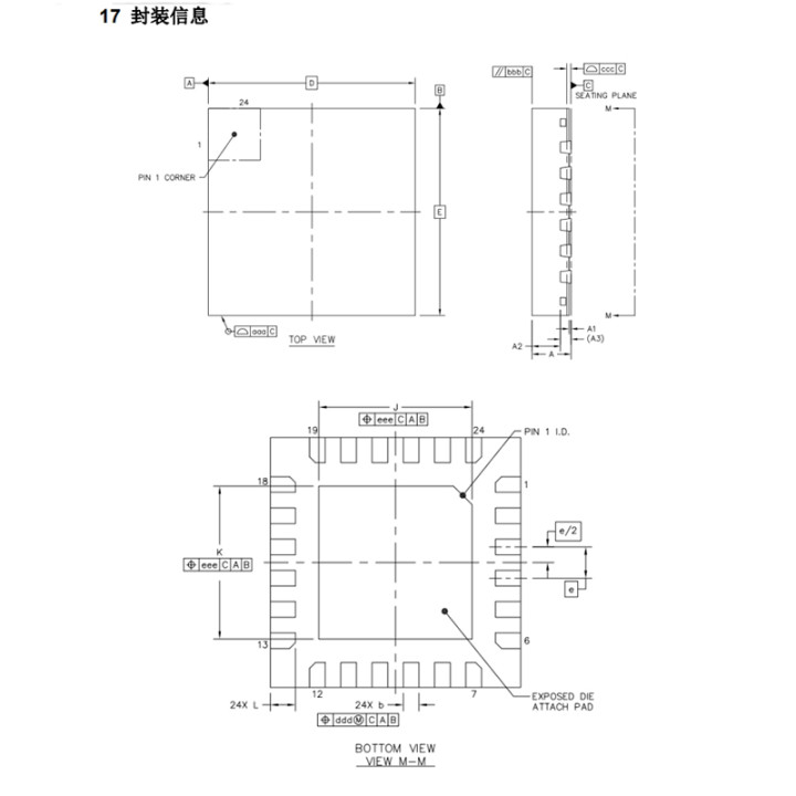
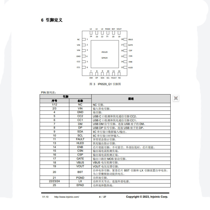
IP6529_Q1采用同步开关降压架构,内置功率MOS管,可减少外部元件数量,简化电路设计。其QFN24(4mm×4mm)封装体积较小,有助于节省PCB空间。同时,较高集成度设计有助于降低BOM成本。此外,芯片支持I²C接口,可与外部MCU通信,实现电压、电流、PDO等参数的读取与配置,为充电管理提供便利。

五、具备多重保护机制,注重使用安全
IP6529_Q1内置12-bit ADC,可监测输入/输出电压、电流及芯片温度,并通过I²C接口反馈数据。当检测到异常时,芯片会启动保护机制,包括输入过压/欠压保护、输出过流/过压/欠压/短路保护及过温保护等。例如,当输出电流超过设定值时,芯片可自动切换至CC模式,调整输出电压;当温度较高时,则会启动过热保护。这些功能为充电过程提供了较好的安全保障。

六、能效表现良好,发热控制得当
IP6529_Q1在转换效率方面表现良好。在16V输入、5V/3A输出条件下,板端转换效率可达93.7%。较高转换效率意味着在相同输入功率下能够输出较多有效电能,减少能量损耗。同时,较低的功耗设计有助于控制芯片发热,即使较长时间运行,芯片温度也可维持在合理范围内。这一特性改善了用户体验,也符合汽车电子对能效的要求。

七、应用场景较广,覆盖多领域需求
IP6529_Q1除适用于车载领域外,也可用于工业电源、便携设备、智能座舱等场景。例如,在工业领域可为无人机、机器人等设备供电;在智能座舱生态中,其支持OTA升级、V2X车联网功能扩展,为未来车载充电系统留出升级空间。有新能源车企采用IP6529_Q1后,车载充电器兼容性得到提升;有电源厂商基于该芯片开发的产品通过UFCS认证后进入欧洲市场,销量取得增长。
八、持续进行技术创新,支持行业发展
英集芯致力于电源管理芯片的技术研发。IP6529_Q1的推出,有助于改善车载快充在兼容性、效率、安全性方面的表现,并以车规级标准、多协议兼容、可配置控制等特点,在车载充电芯片中具备一定优势。随着汽车电子对充电速度、安全性与智能化要求的提高,该芯片可继续发挥其技术特点,为行业应用提供支持。
配资平台投资
东海优配提示:文章来自网络,不代表本站观点。